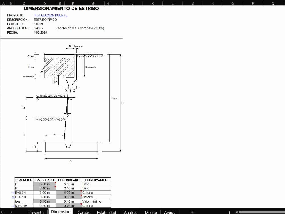
Konstruktion von stahlbetonwiderlagern xls


Die datei enthält eine excel-tabelle zur statischen berechnung eines stahlbetonwiderlagers für eine autobrücke.
Confirma el mail en Facebook e intenta nuevamente.
Confirma el mail en Google e intenta nuevamente.
Ihr Konto ist inaktiv. Um es wieder zu aktivieren können Sie uns per Email kontaktieren:soporte@bibliocad.com.